FAXI268H(V)强驱主机是 FAXI268 系列强驱主机的升级版产品,它的外形更加美观,安装方便,并且降低了主机箱体渗油的风险。
产品特点:
1、高效齿轮箱与高效永磁电机相结合,实现无对重高效运行;
2、由于强驱电梯取消了对重,有效的提高了井道利用率,节约了资源,这也是强驱电梯最主要的特点和优势;
3、采用强驱主机安装的别墅电梯,在相同的条件下,电梯轿厢面积可以增加 20%左右,有效的增加了客户的空间感和体验感.
4、强驱主机可以安装在井道的顶部,也可以安装在井道的底部,且出绳方式多样,满足不同井道的特殊安装.
5、主机启动电流比额定电流高 1A,对家庭电网无冲击,启动平稳。
6、强驱主机采用了低噪音、免维护的盘式制动器. 对环境友好,适应家庭低噪音的环境。
强驱主机适用标准及运行的安全性:
1、强驱主机符合 TSG7007-2016《电梯形式实验规则》及GB/21739-2008《家用电梯制造与安全规范》.
2、主机滚筒钢丝绳固定端至少留有 1.5 圈余量,钢丝最大偏角≤4°.
3、强驱主机左、右螺旋滚筒档绳杆上,装有导绳器装置,保证了主机安全运行.

4、强驱主机附赠有松绳器保护开关,防止钢丝绳松动(断裂)产生的意外风险.

5、强驱主机的同步电机采用封芯处理,手动松闸时,轿厢以较低的速度下降,防止超速下行的风险.
强驱主机性能参数:
1、主机运行平稳,无异常噪音,整机空载噪音≤53dB(A).
2、主机热平衡后电机温升≤100K,主机振动速度≤0.35m/s.
3、主机工作制 S5-25%,防护等级 IP41,电机绝缘等级 F 级.
4、主机Φ8 钢丝绳提升高度为 12m/15m/17m.
Φ10 钢丝绳提升高度 12m/13.3m.
5、 Φ10 钢丝绳非标产品提升高度 15/16.5/18/20m.
6、 可提供 380V,1050Kg≤P+Q≤1200kg 非标产品.
7、 齿轮箱采用长城牌 L—CKC320#齿轮油.
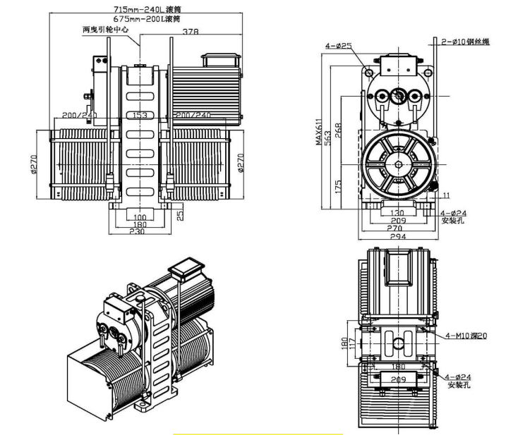
主机规格参数:

主机安装尺寸:

主机出绳方式:
